务热线:400-806-2189
当前位置

解决嵌入式系统信号调试的五个阶段难题

47
发表时间:2020-11-11 14:16作者:DanielQiu网址:http://www.smart-ele.com

       示波器是工程师必备工具,用来帮助工程师快速发现问题和解决问题。近几年,伴随测试信号频率越来越快,需要调试的信号类型越来越多,嵌入式系统结构越来越复杂的趋势,作为工程师的调试伙伴,示波器的功能与效率需求也在不断的提升。

信号调试工作的五个阶段:

第一阶段:测试准备

       选择正确的示波器与探头,不仅仅是嵌入式信号调试的第一步也是进行所有测试的第一步。大部分情况下, 测试信号并非直接导入示波器,而是通过探头来连接。 示波器的选择,要根据测试信号的速率,幅值,波形等特点选择您测试所需的带宽,采样率及记录长度。

       探头选择也尤为重要:首先,通过选择不同类型的探头扩展系统测试信号类型,如电压,电流,逻辑信号, 光电信号,射频信号等等;其次,连接便捷性。示波器探头有各种连接方法,钩子,夹子,钳口,探针等等, 从而实现信号测试点的轻松连接;第三,信号保真度。 探头接入被测电路,会对原始电路有一定程度的影响, 所以对于某些测试电路需要特定的阻抗配合。如高频信号一般要求50欧姆阻抗,视频信号要求75欧姆阻抗,很多的电源信号需要高达几M甚至几十M的高阻才能实现准确测试,可靠丰富的探头是测试的保证。



第二阶段:发现异常

       什么样的信号称之为异常?幅值异常,脉宽异常,有 毛刺等等,总而言之区别于正常信号的都可以称为异 常信号!不定时的出现异常信号更是给工程师的测试工作雪上加霜。


       在受访的工程师中,90% 的人表示,在使用示波器进行信号调试时,捕获异常信号是最难的,尤其是偶发的异常信号,他们希望示波器厂家能针对性设计功能帮忙解决这个问题。


       泰克新一代示波器的两个功能可以快速发现异常信号。第一“Fast Acquision”快速捕获功能。这个功能可以使示波器波形捕获率能大大提升,最高实现捕 获 50 万次波形 / 秒,发现快速异常信号概率提升 100 倍。以下是测试对比图。


       无限余晖功能,打开该功能示波器将探头接入的波形在示波器屏幕上留下一个痕迹,保持时间可以用户自定义,最长可以是无限时间。除了留下痕迹,还有一个好处,图形可以进行色温区别显示,暖色调如红色是说明该区域波形重复次数多,冷色调如蓝色代表的是该区域波形出现次数少,轻松分辨异常及正常信号。


       无线余晖,一键开启,无需设定触发条件,余晖保持时间自定义,最长可以无穷大时间保持,解放工程师双手,轻松查看和测量异常信号波形特征。

无线余晖


第三阶段:捕获异常

       不同的测试场景都有不同特征的信号需要捕获,特殊异常信号捕获需求变得越来越多,这就需要工程师有足够的经验设定不同的触发方法,捕获自己想要的信号。


       示波器的高级触发功能,可以帮助工程师实现设定不同触发方式捕获异常信号。泰克示波器不断增强触发功能以满足信号捕获需求。 如新一代示波器 MSO5 系列提供如边沿,脉宽,欠幅,逻辑,窗口等 24 种 触发方式(包含 14 个是数字通道及总线触发)满足日常信号捕获的需求。


       触发得到异常信号,如何捕获?捕获能力又是对示波器的一大考验。示波器的记录长度及分段存储功能是考量示波器捕获能力的重要因素。泰克新一代示波器 记录长度基本在几十M 点,可实现对信号高采样长时间的连续捕获。


推荐两个捕获信号非常有用的功能:


欠幅触发

       幅值异常,惯用的边沿触发功能能解决一些问题,但是对于某些隐藏在连续的几个脉冲里的幅值异常信号 就非常困难(因为正常信号符合边沿触发条件)。“欠幅触发”,它是针对幅值异常的信号设定的,可以设 定高低两条电平线,只要幅值在两条线之间就能触发, 大大准确定位了需要的波形,当然这个触发条件还支持对脉冲设定符合的条件,可以更灵活的捕获特定波形。 这个功能很大程度应用在逻辑信号调试,因为逻辑信号高低电平靠阈值来判定,这样幅值异常很容易引起高低电平判定及解码错误,是真正混合信号调试的利器。


“欠幅触发”应用实例


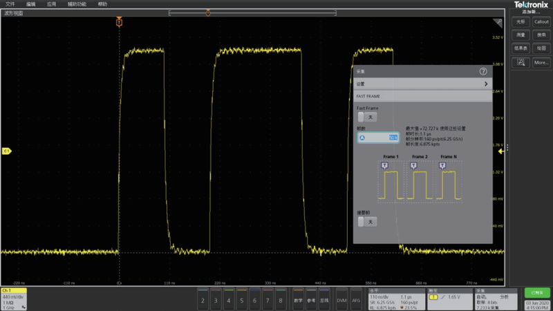
分段存储

       长记录长度,好处非常明显,同样的采样率可以连续捕获更长时间波形,或者同样的波形时间,可以设置更高采样率采集。



       “分段存储”最大化利用记录长度,可以连续捕获满足触发条件多个波形,从而进行分析异常信号出现的周期,是否每次信号特征都相同,支持高达 5 万次波形采集。



第四阶段:搜索信号

       长记录长度示波器有很多好处,但是也带来一些问题, 如以前工程师一次捕获就是几个,几十个周期的信号, 所以花费几分钟也就可以分析完成,但是现在示波器记录长度提升了几万倍,也就意味着可能会一次性捕获几万个周期的波形,工程师一次捕获可能需要花费半个小时或者更长时间用于查找自己需要的波形。效率低,浪费工程师的时间。

      大家都知道上网使用搜索功能可以大大提升效率,找到自己感兴趣的页面或者信息。 这里介绍一种示波器的“搜索”功能。简单的讲,触发后捕获一段时间的波形,可以通到“搜索”设置条件,快速定位和标识满足条件的波形位置,这样就可以针对性的查看该位置波形,从而大大提升效率。


      如果通过眼睛查看多达几千上万的波形,是非常辛苦的,且非常容易导致人为的漏失。 分析信号耗费时间长。提供波形列表,能帮助进行分析信号出现的周期, 从而得到信号出现的规律,如串扰等。



第五阶段:信号分析

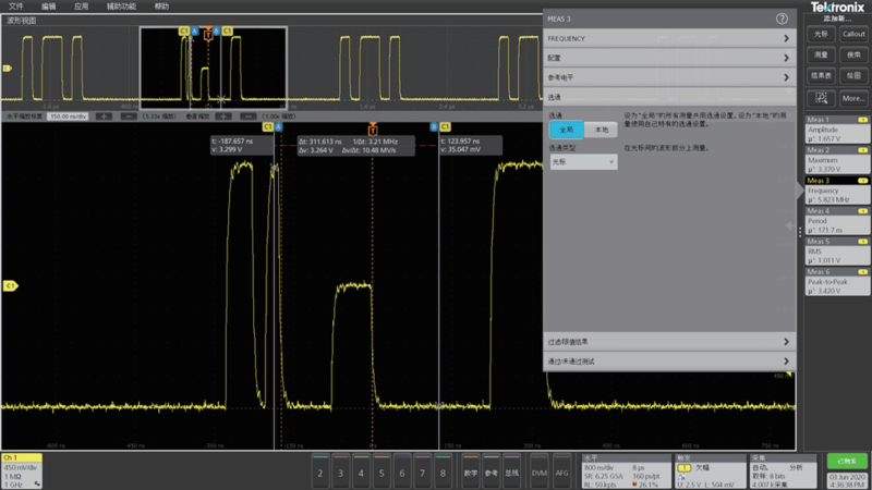
       示波器都具有基本的测量功能,可以帮忙用户进行快速的自动测试,如基本的幅值,频率,周期等参数。 但是现在因为信号越来越复杂,很多工程师希望能实现信号自定义测试,如指定波形位置测量,测量不仅只了解参数还希望能了解多周期的变化趋势,分布等信息。

示波器可以提供更加高级的自动测量功能,支持多达36种自动测试参数。并且支持测试项目的趋势图测试和直方图显示。


       支持 Gate 选通功能,用户可以通过光标自行指定自动测试波形的区域,实现灵活测量。测试项目支持趋势图显示,可以显示频率,周期,幅值等随周期的变化, 从而帮忙工程师快速,准确,灵活的进行深度分析。


支持光标测试,用户客户指定对屏幕不同波形之间在幅值和时间的相关测试。



       示波器也支持很多高级分析功能,如电源分析软件, 抖动及高级眼图功能测试,高速信号如以太网, USB,DDR,MIPI 等一致性测试。



       随着科技的进步,新技术被广泛应用,对测试仪器行业提出了新的挑战。作为最传统的测试系统示波器也必须与时俱进,为出现在嵌入式系统调试的五个阶段:测试准备,发现异常,捕获异常,搜索信号,分析信号的难题,推出高效的,有针对性的功能,轻松解决调试过程中的各种挑战,实现更快,更准,更可靠的调试。







 
 
产品搜索